LED bar graph using shift register and potentiometer
HARDWARE REQUIRED:
- PICUNO Microcontroller board
- 8 × LEDs
- 8 × 220Ω resistors
- 1 × SN74HC595 Shift Register
- 1 × 10kΩ Potentiometer
- Breadboard
- Jumper wires
- USB cable
DESCRIPTION:
This project reads an Analog voltage from a potentiometer and displays it as a bar graph on 8 LEDs using an SN74HC595 shift register. The Analog input (0--3.3V) is converted into a value from 0 to 8, and that number of LEDs are turned ON to visually represent the level.
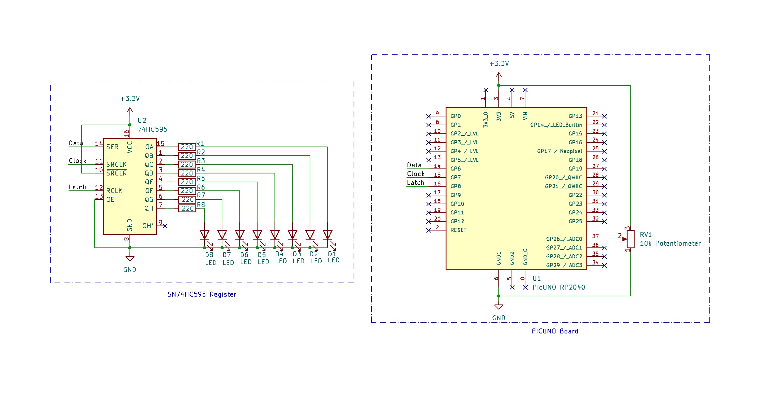
CIRCUIT DIAGRAM:
- Connect the PICUNO board to the computer using a USB cable.
- Connect the SN74HC595 Pins 1 -- 7, 15 to 8×220Ω resistors where each of them is connected anode of 8 LEDs.
- Connect the cathode of all LEDs to GND.
- Connect Pins 8 and 13 to GND.
- Connect Pins 10 and 16 to 3.3 V.
- Connect Pins 11, 12, 14 to GPIO 7, 8, 6 respectively.
- Connect outer terminals of the potentiometer to VCC and GND, centre terminal to Analog pin A0 (Pin 26 in PICUNO)
SCHEMATIC:
SN74HC595 Pin 1--7, 15 (Q0--Q7) → 8x 220-ohm resistors → LEDs anode
LEDs cathode → GND
Pin 8 → GND
Pin 16 → VCC (3.3 V)
Pin 10 (MR) → Connect to VCC (keep shift register active)
Pin 13 (OE) → Connect to GND (output enable active)
Pin 11 (SRCLK/Clock) → Connect to GPIO 7
Pin 12 (RCLK/Latch) → Connect to GPIO 8
Pin 14 (SER/Data) → Connect to GPIO 6
Potentiometer Outer Terminals → VCC, GND
Potentiometer Centre Terminal → A0
CODE -- C:
int dataPin = 6;
int clockPin = 7;
int latchPin = 8;
int potPin = A0;
void setup() {
pinMode(dataPin, OUTPUT);
pinMode(clockPin, OUTPUT);
pinMode(latchPin, OUTPUT);
Serial.begin(9600);
}
void loop() {
int analogValue = analogRead(potPin);
int level = map(analogValue, 0, 1023, 0, 9);
byte barValue = 0;
for (int i = 0; i < level; i++) {
barValue |= (1 << i);
}
digitalWrite(latchPin, LOW);
shiftOut(dataPin, clockPin, MSBFIRST, barValue);
digitalWrite(latchPin, HIGH);
Serial.print(\"Analog: \"); Serial.print(analogValue);
Serial.print(\" Level: \"); Serial.println(level);
delay(100);
}
int clockPin = 7;
int latchPin = 8;
int potPin = A0;
void setup() {
pinMode(dataPin, OUTPUT);
pinMode(clockPin, OUTPUT);
pinMode(latchPin, OUTPUT);
Serial.begin(9600);
}
void loop() {
int analogValue = analogRead(potPin);
int level = map(analogValue, 0, 1023, 0, 9);
byte barValue = 0;
for (int i = 0; i < level; i++) {
barValue |= (1 << i);
}
digitalWrite(latchPin, LOW);
shiftOut(dataPin, clockPin, MSBFIRST, barValue);
digitalWrite(latchPin, HIGH);
Serial.print(\"Analog: \"); Serial.print(analogValue);
Serial.print(\" Level: \"); Serial.println(level);
delay(100);
}
analogRead(potPin) - Reads voltage from the potentiometer.
map(...) - Converts analog value (0--1023) to a level (0--8).
barValue |= (1 << i) - Sets each bit one by one.
shiftOut(...) - Sends the final LED pattern to the shift register.
map(...) - Converts analog value (0--1023) to a level (0--8).
barValue |= (1 << i) - Sets each bit one by one.
shiftOut(...) - Sends the final LED pattern to the shift register.
CODE -- PYTHON:
from machine import Pin, ADC
import time
dataPin = Pin(6, Pin.OUT)
clockPin = Pin(7, Pin.OUT)
latchPin = Pin(8, Pin.OUT)
pot = ADC(0) # A0 pin on PicUNO
def shiftOut(value):
for i in range(7, -1, -1):
dataPin.value((value >> i) & 1)
clockPin.value(1)
time.sleep_us(1)
clockPin.value(0)
while True:
analog = pot.read_u16()
level = analog * 9 // 65536
bar = 0
for i in range(level):
bar |= (1 << i)
latchPin.value(0)
shiftOut(bar)
latchPin.value(1)
voltage = analog * 3.3 / 65535
print(\"Analog:\", analog, \"Voltage:\", round(voltage, 2), \"V Level:\", level)
time.sleep(0.1)
import time
dataPin = Pin(6, Pin.OUT)
clockPin = Pin(7, Pin.OUT)
latchPin = Pin(8, Pin.OUT)
pot = ADC(0) # A0 pin on PicUNO
def shiftOut(value):
for i in range(7, -1, -1):
dataPin.value((value >> i) & 1)
clockPin.value(1)
time.sleep_us(1)
clockPin.value(0)
while True:
analog = pot.read_u16()
level = analog * 9 // 65536
bar = 0
for i in range(level):
bar |= (1 << i)
latchPin.value(0)
shiftOut(bar)
latchPin.value(1)
voltage = analog * 3.3 / 65535
print(\"Analog:\", analog, \"Voltage:\", round(voltage, 2), \"V Level:\", level)
time.sleep(0.1)
ADC(0) - Reads analog input from A0 pin.
read_u16() - Returns a 16-bit analog value (0--65535).
level = analog * 9 // 65536 - Scales the value to 0--8.
shiftOut() - Sends the LED pattern to the register.
read_u16() - Returns a 16-bit analog value (0--65535).
level = analog * 9 // 65536 - Scales the value to 0--8.
shiftOut() - Sends the LED pattern to the register.